万千商家帮你免费找货
0 人在求购买到急需产品
- 详细信息
- 文献和实验
- 技术资料
透射电子显微镜(Transmission Electron Microscope,TEM)是使用最为广泛的一类电镜。通过发射电子束从而穿过超薄的样品切片(通常为50~100 nm),同时与样本相互作用,既而形成图像。透射电镜具有分辨率高和放大倍数高的优点。目前透射电镜已经广泛的应用到癌症研究,病毒学研究,微生物学,细胞学研究等生物领域。
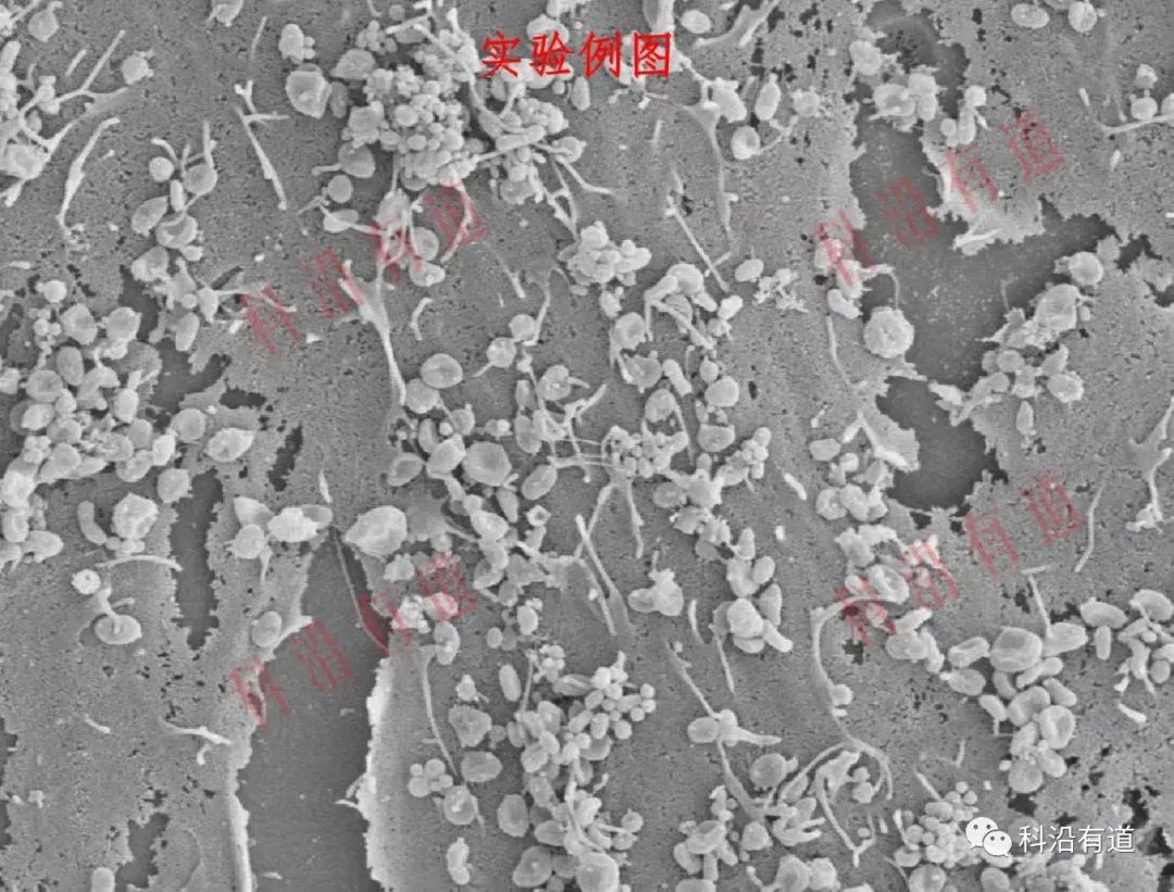
扫描电子显微镜(scanning electron microscope,SEM),主要是利用二次电子信号成像来观察样品的表面形态,即用极狭窄的电子束去扫描样品,通过电子束与样品的相互作用产生各种效应,其中主要是样品的二次电子发射。二次电子能够产生样品表面放大的形貌像,这个像是在样品被扫描时按时序建立起来的,即使用逐点成像的方法获得放大像。主要用于细菌、病毒、细胞、鞭毛等表面形态的观察。

① 样本;
② 科沿有道电镜实验信息登记表。
二、交付内容:① 实验报告(实验仪器、试剂、方法、结果、结论);
② 电镜成像结果。
风险提示:丁香通仅作为第三方平台,为商家信息发布提供平台空间。用户咨询产品时请注意保护个人信息及财产安全,合理判断,谨慎选购商品,商家和用户对交易行为负责。对于医疗器械类产品,请先查证核实企业经营资质和医疗器械产品注册证情况。
文献和实验相关实验
Tau 蛋白是一种微管相关蛋白,分子量 50~75 kDa,主要位于神经元轴突中,是维持骨骼神经元系统稳定性所需的重要分子。
NGS已成为生命科学领域中基因组学和转录组学研究的金标准。虽然它与桑格测序等方法有某些核心相似之处,但NGS所能实现的绝对的高通量水平使它与其他方法截然不同,并彻底改变了科学家的工作方式。 RNA测序(RNA-seq)尤其处于NGS功能应用的前言沿。RNA-seq最简单的形式允许我们在取样时确定样本中的RNAs的丰度。转录组是一个高度动态的细胞特征,并打开了一个巨大发掘潜力的世界。对药物、各种疾病状态、转录后修饰和选择性剪接转录本的反应变化只是 RNA-Seq 使其能够发现的一些例子
随着科学技术和社会生产力的不断发展,能源的问题显得越来越重要。目前,全世界的能源仍以煤、石油和天然气等化石燃料为主。这些化石燃料储量有限,同时它们又是极其宝贵的化工原料,可以从中提炼和加工出各种化学纤维、塑料、橡胶和化肥等化工产品。将这样重要的化工原料作为能源来使用实在可惜。随着社会生产力的发展和人类生活水平的提高,世界能源的消耗量愈来愈大。据估计,全世界石油、天然气和煤的储量最多只能供给人类使用一、二百年。因此,摆在人类面前的一项紧迫的战略任务就是探索新能源。目前研究
技术资料暂无技术资料 索取技术资料
电镜实验简介
询价









