相关产品推荐更多 >
万千商家帮你免费找货
0 人在求购买到急需产品
- 详细信息
- 文献和实验
- 技术资料
- 保存条件:
2−8°C
- 英文名:
CD105 MicroBeads, human
- 库存:
大量
- 供应商:
德国美天旎生物技术有限公司
从脐带静脉组织的单细胞悬液中分离CD105+内皮细胞
从脐带静脉内皮分离的CD105+细胞
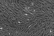
从急性髓系白血病患者的骨髓抽吸物中磁分选的CD105+细胞培养25天后
风险提示:丁香通仅作为第三方平台,为商家信息发布提供平台空间。用户咨询产品时请注意保护个人信息及财产安全,合理判断,谨慎选购商品,商家和用户对交易行为负责。对于医疗器械类产品,请先查证核实企业经营资质和医疗器械产品注册证情况。
文献和实验Fibrinogen exerts adhesive effects on cultured fibroblasts and other cells. Specifically, fibrin(ogen) and its various lytic fragments (e.g., FPA, FPB, fragments D and E) were shown to be chemotactic to macrophages, human fibroblasts
Isolation of Endothelial Cells from Human Tumors
specimens of patients suffering from CRC. Isolated TEC and NEC expressed CD31, CD105, VE-cadherin, VCAM-1, ICAM-1, and E-selectin, formed capillaries in basal membrane extract, and were able to take up acetylated LDL. They were negative for podoplanin, CD
Derivation and Characterization of Human ESC-Derived Mesenchymal Stem Cells
the ISCT minimal defining criteria for human MSCs, namely adherence to plastic, a surface antigen expression profile of CD29+, CD44+, CD49a+ CD49e+, CD73+, CD105+, CD166+, CD34−, CD45−, and a differentiation potential that includes adipogenesis
技术资料暂无技术资料 索取技术资料











