相关产品推荐更多 >
万千商家帮你免费找货
0 人在求购买到急需产品
- 详细信息
- 询价记录
- 文献和实验
- 技术资料
- 库存:
111
- 保修期:
2年
- 现货状态:
现货
- 供应商:
南京卡尔文
一、概述:
MINITR 大小鼠脉搏心率仪,是集众多专家、教授经多年研制PC机生物信号采集处理系统经验而推出的又一高科技产品。应用于大中专院校的生理学、药理学和病理生理学等方面的教学与科研实验。MINITR 大小鼠脉搏心率仪软件采用NT技术构建,能在在Windows7、win10下稳定运行,为广大学生、实验研究人员和教师提供了易操作、好观察、处理功能强大的实验工具。
MINITR 生物信号采集处理系统应用软件是标准的Windows 32位应用程序,图形操作界面与微软其他应用程序风格相一致,因此好学、易用。MINITR 应用软件安装、卸载容易、简单,对硬件无特殊要求,
不占用PC机特殊资源。用户不必进行调整微机端口等复杂操作。做到了即装即用,十分快捷方便。
由于程序开发标准、规范,给用户使用带来了极大的方便。例如:全部鼠标点击操作,方便简单,多窗口运行可边采样边处理数据。采样窗口大小随意调节,X、Y轴压缩扩展自如。支持所有打印机,网络资源共享。特别是能与其它WINDOWS应用程序资源,如ACCESS、Excel、Word等进行无缝对接,共享数据,使数据处理工作从复杂、大量的劳动中得到解放。长时程记录,边采样边存盘,无最大文件长度和时间限制。支持中文长文件名,可任意为自己的文件命名。可以说WINDOWS软件的优点,都可在MINITR 中得到体现。
二、技术参数
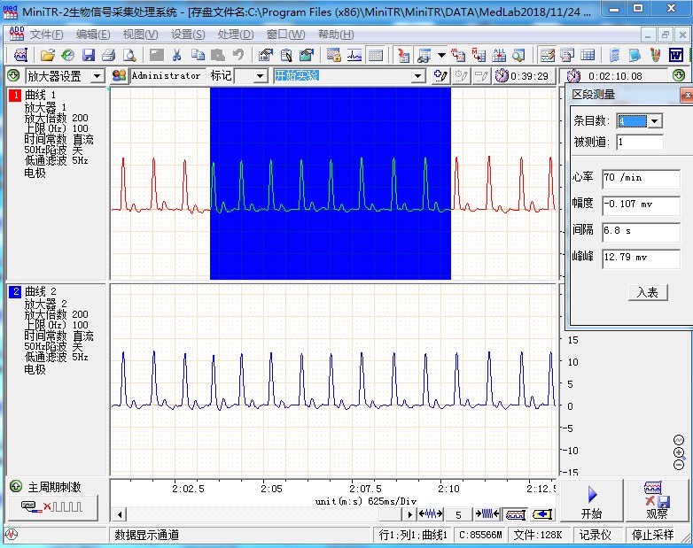
1、脉搏采集通道数:2通道
2、适用动物:大鼠或小鼠
3、采集数据:心率/分次
4、可生成脉搏图型,数据入表,报告打印等
5、接口形式:USB3.0
6、软件适用系统:win7,win10
7、配置不同传感器可以进行不同实验如:血压、张力、呼吸等。

风险提示:丁香通仅作为第三方平台,为商家信息发布提供平台空间。用户咨询产品时请注意保护个人信息及财产安全,合理判断,谨慎选购商品,商家和用户对交易行为负责。对于医疗器械类产品,请先查证核实企业经营资质和医疗器械产品注册证情况。
- 作者
- 内容
- 询问日期
文献和实验。线栓法因无需开颅、对全身影响小、缺血部位恒定、可进行再灌注损伤研究等优点而被广泛采用。 二、实验方法: 1.固定小鼠 a.用水合氯醛麻醉小鼠,固定在脑立体定位注射仪上。 2.钻孔 a.将小鼠的头部顺着人字缝皮肤切开大约1cm,露出小鼠的头骨。 b.找到小鼠的人字缝在其右边1~2mm处做好钻孔的标记。 c.用颅骨钻在记号处垂直钻孔,深度不宜太大。(防止钻入脑组织,在有落空感时停止) d.脱脂棉止血。 3.注射 a. 将小鼠的尾部间断一截,用手指将血液挤出,并用装有抗凝血剂的试管将血液收集
大小鼠转棒仪该仪器用于研究药物对动作协调性和抗疲劳特性的影响,对相关药物筛选有重要价值。实验时将动物放置在滚筒上并避免滑落,转动滚筒后,如果动物滑落下来就会相应停止下面的传感平台进行结果记录,可以同时进行五个大鼠或小鼠实验,大鼠采用直径3.75英寸的滚筒,小鼠采用直径为1.25英寸的滚筒。仪器采用数字控制: 5个标准通道,测试时间可调; 启动速度可调,最终速度可调; 加速度可调,前进反转两种模式选择; 测量距离可记录,标准计算机打印口输出; RS232 串口输出。大小鼠疲劳测试
动脉随心脏的收缩和舒张而产生的有节律的搏动。与心脏收缩力、心率、心律、血容量、血管弹性密切相关。一般将食指、中指、无名指,轻按手腕上方便可了解挠动脉的搏动频率、节律及波形。正常人心率为 60~ 100次 /分,心律规则、强弱适中。在中医学中脉搏的检查是诊断疾病的重要手段之一。在现代医学中,脉搏常可以反映出心血管系统的异常情况。临床上异常脉搏分 7种:( 1)水冲脉:脉搏起落急促有力,提示脉压增大;( 2)奇脉:吸气时脉搏减弱甚至消失;( 3)交替脉:节律正常而出现一强一弱
技术资料暂无技术资料 索取技术资料










