3 年
手机商铺
技术资料/正文
129 人阅读发布时间:2025-03-03 10:27

1. 细胞背景
RAW264.7细胞源自BALB/c小鼠由Abelson鼠科白血病病毒诱导的肿瘤,作为小鼠单核巨噬细胞白血病细胞系,是研究免疫调控、炎症反应和疾病机制的重要模型。RAW264.7细胞应用广泛,但是由于其巨噬细胞特性,在细胞培养及基因编辑实验中具有较大难度。今天我们从这两方面来分享一些经验。
2. 细胞描述
物种:小鼠
组织:巨噬细胞
细胞形态:半贴壁半悬浮细胞
细胞倍增时间:~22-24 hours
培养条件
完全培养基成分:DMEM+10% FBS+1%P/S
培养环境:37℃、5%CO2
传代比例:1:3~1:4
传代频次:2~3 天传代一次
消化条件
该细胞传代时不需要用胰酶消化。(胰酶会刺激RAW264.7细胞严重分化)传代时,用无菌细胞刮刀刮拭培养表面将细胞刮落,收集离心后重悬接种到新的培养瓶中。注意用腕力刮,不要用臂力,且切记只能刮一次,不要来回刮和反复刮,吹打的力度一定要轻,且勿暴力吹打。
细胞形态图片
图1 Raw264.7细胞ATCC参考正常形态图
细胞特点
Raw264.7细胞的形态学特征与巨噬细胞的形态学特征相似。在显微镜下观察,Raw264.7细胞呈现出圆形或椭圆形的形态,直径约为10-30 μm。细胞质内有大量的溶酶体和内质网,以及一些线粒体和高尔基体。细胞核较大,通常呈现出椭圆形或不规则形状。细胞表面有许多突起和伸展,这些突起和伸展有助于增加细胞表面积,从而增加细胞与外部环境的接触面积,以便更好地进行吞噬和吸收。
在细胞生长的初始阶段,细胞以贴壁的形式生长并呈现出长方体的形态和有“伪足”延伸。随着培养时间的增加,细胞呈现圆形并以叠加的形式生长。细胞密度达到一定的程度,会有细胞以悬浮的方式散落到到培养基中,镜下观察会发现悬浮和贴壁的细胞会同时出现。
3. 常见问题
3.1 细胞分化
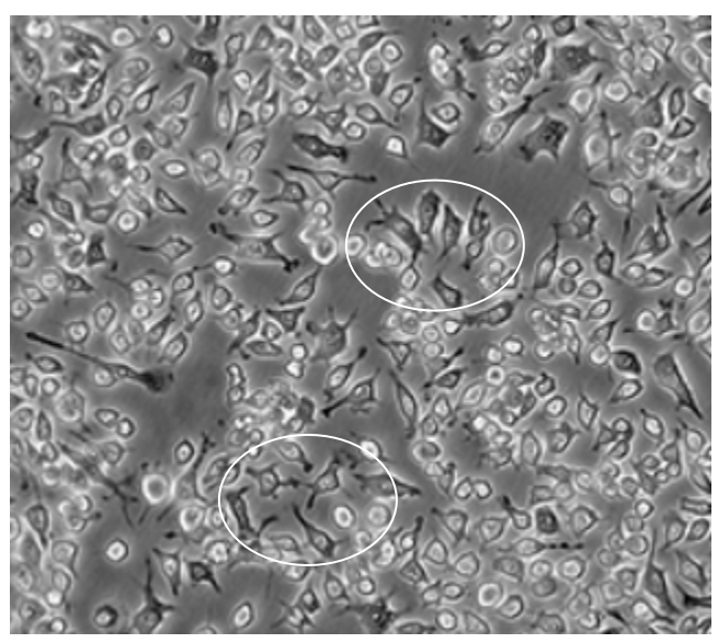
少量RAW264.7细胞出现分化现象是正常的,在正常培养中,RAW264.7细胞也会出现多边形和不规则形状,并伴有许多“伪足”的生成。有时候看到的伪足是细胞正处于迁移状态,不必过多担心。巨噬细胞的形态会随着细胞活性、功能、环境和药物的改变而改变,这种情况通常不会对实验结果产生显著影响。但是分化比例太高,会导致实验数据的不可靠性,影响功能验证结果。保持细胞的稳定状态对于实验的准确性和重复性至关重要。
图2 Raw264.7细胞分化图(圈起来的是分化细胞)
如何减少细胞分化,出现分化时如何进行处理呢?
(1)传代时间间隔:RAW264.7细胞生长速度较快,建议每天观察细胞密度,细胞融合率70%-90%时需及时传代,一般两到三天即可传一代,避免细胞叠加成层后再进行传代,以保持最佳的细胞生长状态。
(2)传代比例:推荐传代比例为1 : 3到1 : 6,当细胞密度很低或过高的时候,细胞容易出现分化的情况,因此在接种时细胞密度应控制好。
(3)传代方式:RAW264.7细胞对胰蛋白酶敏感,接触胰酶后将很快发生自发分化,贴壁变紧,很难消化下来。所以不建议用胰酶对该细胞进行传代。我们推荐用吹打传代或细胞刮传代。
(4) 分化的细胞贴壁牢固,而未分化的细胞贴壁松散。根据贴壁松紧差异,可将未分化的细胞吹下,并转移至新的培养器皿中进行培养。
3.2 漂浮细胞多
传代或复苏后有部分细胞漂浮是正常现象,细胞复苏后贴壁时间在10小时左右。RAW 264.7 细胞贴壁较松,快递运输路上受到颠簸,可能会脱落。可以把细胞放进培养箱静置培养过夜。或把细胞离心收集,用1mL培养基重悬,慢慢地,轻轻地吹打,直到细胞被吹成单细胞,重新铺板了。RAW 264.7脱落后倾向于抱团,抱团时细胞是活着的,但很难贴壁。记得一定要把聚成团的细胞吹散成单细胞,不然细胞很难重新贴壁。

图3 RAW264.7细胞聚团生长图
4. Raw264.7细胞基因敲除示例
免疫细胞基因敲除技术(Gene Knockout, KO)在免疫学研究和免疫治疗中具有广泛的应用,尤其在解析免疫细胞功能、筛选免疫治疗靶点、开发细胞治疗等方面具有巨大潜力。然而在实际应用过程中,免疫细胞基因敲除仍面临许多问题,采用常规质粒或者慢病毒的方法进行敲除,结果基因编辑效率不高,甚至会引起细胞免疫原性等问题(例如激活RIG-I inflammasome 通路引起细胞死亡。(Beeke Wienert et. Al,PLoS Biol. 2018 Jul 16)

粒曼生物团队精心钻研,优化方法,最终采用独特的靶向早期外显子多个sgRNA 的策略,结合RNP的递送方式,显著提高了免疫细胞基因编辑的效率和准确性。
RAW264.7细胞基因敲除示例:


参考文献
[1] María losé lópez-Grueso, Daniel losé Lagal. Knockout of PRDX6 induces mitochondrial dysfunction and cell cycle arrest at G2/M in HepG2 hepatocarcinoma cells[J]. Redox BiologyVolume 37, October 2020,101737.
[2] Nanosensor detection of reactive oxygen and nitrogen species leakage in frustrated phagocytosis of nanofibres (2024-01-03)