- 详细信息
- 文献和实验
- 技术资料
- 提供商:
XSL
- 服务名称:
阿霉素诱导大鼠心肌病模型
基本原理
目前用于研究心肌病的模型主要有3种,病毒感染、药物诱导和右室超速起搏。病毒感染所致的心肌病模型与临床相关性最好,如柯萨奇病毒与心肌炎、扩张性心肌病之间有直接关系。但模型建立成功所需时间较长,至少得1年时间,而且病毒的使用有很大的潜在危险,心肌炎与心肌病界限不易鉴别,可行性较差。右室超速起搏所致心肌病与临床相关性也较好,但需放置起搏器在右室前壁,由于大鼠心脏小,操作不方便,成功率低,不宜采用此方法。
阿霉素是抗血液系统肿瘤的一种药物,其主要的不良反应是心肌损害,随着其药物剂量的增加和时间的延长,可引起扩张性心肌病,病理可见心肌细胞肿胀、间隙变小、心肌纤维局限性断裂、心肌间质中血管扩张等变化。心功能出现明显变化LVEF、LVFS明显下降、LVDD、LVDV减小、LVSD增大,在病理形态学方面和心功能方面的改变与临床心肌病接近。
模型特点
模型制作方法操作简单、方便、易行,适合小动物心肌病模型的建立。但其引起心肌病的分子机理不清, 目前有许多实验证据显示与自由基有关,通过其单醌代谢产物产生超氧化阳离子和超氧化自由基,与铁离子共同作用,导致心肌亚细胞结构的各种改变,包括心肌纤维的慢性丢失及心肌细胞胞浆中空泡形成。由于大鼠的胸壁薄,心率快(300-400次/min),传统检测其心功能的方法为有创性的,如各种导管及 Langondorff灌注法,这些方法为终点检测,可得到血液动力学指标,但不能获得其心室容积、内径结果。
大鼠和兔模型中采用快速、方便、无创、较为准确的监测小动物心功能的方法,结果与大体解剖及病理检 查相符。但存在一定的缺点,阿霉素剂量过大,实验动物死亡率高;阿霉素剂量过小,模型复制不成功。 因兔心功能状态有一定差异,同一品系的兔其个体间因兔龄、体重生长环境基本一致。
模型应用
1.心肌病的相关机制研究
2.心肌病相关药物筛选和疗效评价
3.比较医学研究
实验方法
体重170-200g的Wistar大鼠,用阿霉素腹腔注射,每次2.5mg/kg体重的剂量,3次/周,间隔2周,再给药1周,共注射6次,总剂量15mg/kg体重,最后一次注射完成后,观容4周,用心功能超声监测仪监测正常大鼠和造模4周大鼠的心功能指标。
测定方法
将大鼠用12%的水合氯.醛麻醉固定于检查台上,取左室长轴切面和左乳头肌水平测量M形曲线,连续测3 个心动周期的左室舒张末内径(LVEDD,mm)、左室收缩末内径(LVESD,mm)、左室舒张末容积 (LVEDV)、左室收缩末容积(LVESV),取其平均值,经Simpson法换算LVEF、LVFS,计算公式LVEF=[(LVEDD-LVEDV)/LVEDV]×100,LFS=[(LVEDD-LVESD)/LVEDD]×100,作为心功能参数指标。
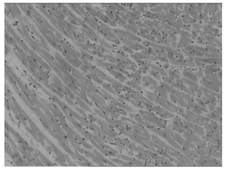
正常Wistar大鼠,其测心功能参数作为相同条件下的正常参考值标准。并对解剖处死和自然死亡的实验大 鼠,取心脏用10%甲.醛溶液固定48h以上,石蜡包埋,连续5μm切片,HE染色,光学显微镜下观察病理变化。
正常组心肌HE染色 模型组心肌HE染色
需确认的信息
1. 模型种属(大鼠还是小鼠或是其他种属)
2. 动物体重有无要求,年龄有无要求
3. 雌雄有无要求
4. 模型构建具体方案
5. 取材要求(采血、取组织样本)
风险提示:丁香通仅作为第三方平台,为商家信息发布提供平台空间。用户咨询产品时请注意保护个人信息及财产安全,合理判断,谨慎选购商品,商家和用户对交易行为负责。对于医疗器械类产品,请先查证核实企业经营资质和医疗器械产品注册证情况。
文献和实验非酒精性脂肪肝(NAFLD)包含了一系列的疾病发展阶段,从一般脂肪变性进展到脂肪变性与炎症并发的非酒精性脂肪肝炎(NASH),随后进展为肝纤维化、肝硬化和肝癌。大多数肥胖的成年人有脂肪肝型态,他们的患病率达到 30% 以上,因此,NAFLD 的患病率会随着肥胖率的升高而升高。 为研究 NAFLD 的发病机制并找出治疗方法,建立动物模型是至关重要的一步。科研人员大多利用高脂饲料诱导大鼠建立 NAFLD 模型,但近几年建立的 NAFLD 动物模型所采用的高脂饲料配方、建模周期均不一致,在研
β 细胞的广泛破坏,可造成1 型糖尿病模型;而注射较少量STZ 时,由于只是破坏一部分胰岛β 细胞的功能,造成外周组织对胰岛素不敏感,同时给予高热量饲料喂养,两者结合便诱导出病理、生理改变都接近于人类2 型糖尿病的动物模型。 造模前的喂养 Ⅰ型糖尿病模型成模比较快,通常大鼠在普通饲料适应性喂养2 周后即可开始造模 Ⅱ型糖尿病模型:高脂饮食诱导加小剂量STZ 。造模前喂以高脂( 高糖) 饲料,诱发出胰岛素抵抗。
名称:内皮素-1诱导的局部脑缺血大鼠模型标准操作规程(SOP) 关键词:ET-1 局部脑缺血 SD大鼠 目的:本操作规程是关于利用内皮素-1诱导局部脑缺血大鼠模型对药物治疗脑缺血效果进行评价的具体操作规程。 原理:利用ET-1强烈的收缩血管效应,并在MCA附近位置注射,制作局部脑缺血模型。 主体内容:首先,大鼠通过腹腔内注射2%的戊巴比妥钠(40mg/kg)被麻醉,同时保持呼吸畅通。如果需要可补充注射。然后把大鼠以俯卧位放在立体定位架上。于颅顶中线切开皮肤,暴露颅骨。运用微孔钻在前囟前
技术资料暂无技术资料 索取技术资料










