相关产品推荐更多 >
万千商家帮你免费找货
0 人在求购买到急需产品
- 详细信息
- 文献和实验
- 技术资料
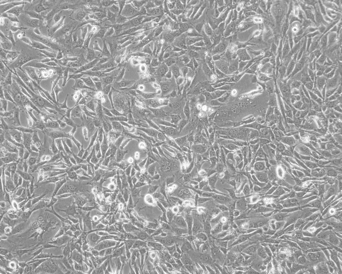
- 细胞类型:
小鼠胚胎成纤维细胞
- 供应商:
晶莱生物
- 库存:
1*10^6
- 运输方式:
液氮冻存(冻存液基础培养基+20%FBS+10%DMSO)
- 器官来源:
小鼠
- 细胞形态:
成纤维状
- 物种来源:
小鼠
- 组织来源:
胚胎
- 规格:
1*10^6

冻存细胞接收后的处理:
1.干冰运输,收到细胞后立即转入-80℃冰箱短暂中转或直接复苏;
2.收到细胞后,若发现干冰已经完全挥发、冻存管瓶盖破裂脱落,请立即拍照后与我们联系。
复苏细胞接收后的处理:
1.收到细胞后,请首先检查培养瓶是否破损或漏液,培养液是否混浊,如有漏液及培养液混浊情况请立即拍照把图片发给我们。
2.75%酒精消毒瓶身后放培养箱中静置4-6h后,在显微镜下确认细胞状态并拍照100倍和200倍的照片,若有贴壁细胞脱落,可收集上清离心,将沉淀用新的培养基接种至新的培养瓶或培养皿中。
3.建议收到当天不要消化处理,如果细胞长满90%,可选择传代处理。
4.如您收到细胞3天内没有反馈相关问题,出现的细胞问题将不提供免费重发服务。
细胞培养方法:
1、细胞传代:细胞密度达到80-90%时即可传代
①弃去培养上清,用PBS或生理盐水清洗1-2次;
②加入2ml0.25%胰酶(T25瓶),使胰酶覆盖整个瓶或皿,盖好放入培养箱消化;
③1-2min后,显微镜下观察细胞,若大部分细胞回缩且有少量细胞脱落,轻轻吹打下确认消化情况后加入完全培养基终止消化;若细胞还是贴壁,放回培养箱继续消化至可以轻轻吹打下为止;
④将细胞悬液1000RPM左右条件下离心4min,弃上清;
⑤用新鲜培养基重悬后加入培养瓶或皿中,T25培养瓶加6-8ml培养基;
⑥悬浮细胞直接离心收集,细胞沉淀重悬后分到新培养瓶中。
2、细胞复苏:
①将冻存管在37℃温水中快速摇晃融化,时间1min左右,加入4-5ml培养基混匀。
②在1000RPM左右条件下离心4min,弃上清,加1-2ml培养基吹匀,将细胞悬液加入培养瓶中,补加适量培养基。
3、细胞冻存:待细胞生长状态良好时进行细胞冻存保种
①弃去培养上清,用PBS或生理盐水清洗1-2次,加入1mL 0.25%胰蛋白酶(T25瓶)
②1-2min后,显微镜下观察细胞,大部分细胞回缩且有少量细胞脱落,轻轻吹打下确认消化情况后加入完全培养基终止消化;
③将细胞悬液1000RPM左右条件下离心4min,弃上清,加1ml冻存液重悬细胞;
④将冻存管放入程序降温盒,放入-80℃冰箱,4小时后将冻存管转入液氮罐储存。
晶莱生物服务流程
晶莱生物实验服务项目
| 动物实验 | 细胞生物学 | 病理实验 |
| 消化系统模型 | 细胞培养 | 病理染色 |
| 胃酸分泌模型 | 普通细胞株 | HE染色 |
| 脓毒症模型 | 细胞缺氧培养 | 油红O染色 |
| 胃溃疡模型 | 细胞培养+支架 | 番红固绿染色 |
| 胰腺炎模型 | 干细胞培养 | Masson染色 |
| 肝纤维化模型 | 原代细胞分离/提取/培养 | 天狼猩红染色 |
| DIO肥胖模型 | 细胞转染/病毒感染 | PAS糖原染色 |
| 胆结石模型 | Trans well共培养 | 阿利新蓝染色 |
| 结肠炎(UC)模型 | 细胞增殖 | 甲苯胺蓝染色 |
| 脂肪肝模型 | 细胞计数 | 尼氏染色 |
| 急性肝损伤模型 | 生长曲线测定 | LFB髓鞘染色 |
| 免疫、代谢系统疾病模型 | 存活曲线测定 | 普鲁士蓝染色 |
| 骨质疏松模型 | ccK-8增殖检测 | VG染色 |
| 糖尿病模型 | MTT增殖检测 | EVG染色 |
| 高尿酸血症模型 | CFSE检测增殖-流式检测 | VonKossa染色 |
| 呼吸系统模型 | BrDU检测-免疫荧光法 | 刚果红染色 |
| 肺纤维化模型 | 细胞凋亡 | 苏丹黑B染色 |
| 慢性肺阻塞模型 | Annexin V/PI流式检测细胞凋亡 | Trap染色 |
| 急性肺损伤模型 | WB检测凋亡相关蛋白 | 抗酸染色 |
| 哮喘模型 | 透射电镜观察凋亡小体 | 革兰氏染色 |
| 肺栓塞模型 | Tunel染色(POD法,DAB显色) | AB-PAS染色 |
| 支气管炎模型 | Tunel(荧光法,含试剂盒) | 亚甲基蓝染色 |
| 泌尿生殖系统模型 | DNA ladder法 | 苯胺蓝染色 |
| 慢性肾衰模型 | 细胞周期 | 荧光 DAPI染色 |
| 急性肾衰模型 | 细胞显微计数 | 普鲁士蓝染色 |
| 肾间质纤维化模型 | PI染色 | 间苯二酚碱性品红染色 |
| 肾结石模型 | BrdU渗入法 | 银染 |
| 肾炎模型 | 免疫荧光染色 | 黑色素染色 |
| 子宫内膜异位症模型 | PI流式检测细胞周期 | 镀银染色 |
| 心血管系统模型 | 细胞运动 | PASM 六胺银染色 |
| 冠心病模型 | Transwell检测细胞迁移 | VG染色 |
| 心肌梗死模型 | Transwell检测细胞侵袭 | 富尔根染色 |
| 心脏骤停模型 | 细胞划痕 | 亚甲基蓝染色 |
| 慢性心力衰竭模型 | 细胞克隆 | 碘-碘化钾染色 |
| 动脉粥样硬化模型 | 集落形成法/稀释铺板方法 | Goldner三色法染色 |
| 白血病模型 | 软琼脂克隆法 | PAS-萘酚磺S染色 |
| 高血压模型 | 毛细管克隆法 | 改良苯酚品红染色 |
| 神经系统模型 | 体外实验血管生成 | 网状纤维染色 |
| 脑卒中模型 | 磁珠分选细胞 | β-半乳糖苷酶染色 |
| 栓塞性脑梗死模型 | 流式分选细胞 | 镀银染色 |
| 脑出血模型 | 开机费 | movat五色染色 |
| 脑损伤模型 | 单色 | 维多利亚蓝染色 |
| 脊髓损伤模型 | 双色 | 免疫组化 |
| 帕金森模型 | CBA多细胞因子流式检测 | 免疫组化预式 |
| 老年痴呆模型 | 组织/血液细胞制备 | 免疫组化正式 |
| 应激模型 | 组织单细胞制备 | 免疫荧光(石蜡-单标) |
| 骨骼疾病模型 | 中性粒细胞提取 | 免疫荧光(石蜡-双标) |
| 骨折模型 | 其他样本细胞制备(如血液等) | 免疫荧光(石蜡-三标) |
| 骨缺损模型 | 外周血PBMC分离 | 免疫荧光(冰冻-单标) |
| 风湿免疫性关节炎模型 | 线粒体组学 | 免疫荧光(冰冻-双标) |
| 骨关节炎模型 | 线粒体膜电位检测-流式法 | 制片前处理 |
| 五官疾病模型 | 线粒体膜电位检测-免疫荧光法 | 石蜡组织包埋 |
| 眼科疾病模型 | 线粒体ROS生物含量检测--流式 | 特殊包埋(细胞、材料、眼球等) |
| 鼻腔疾病模型 | 线粒体ROS生物含量检测--免疫荧光 | 软化(肝硬化、皮肤结痂、植物等) |
| 皮肤疾病模型 | 线粒体通透性转换孔(mPTP) | 骨组织脱钙(小) |
| 皮肤损伤模型 | 溶酶体免疫荧光法 | 骨组织脱钙(大) |
| 肿瘤疾病模型 | 线粒体+溶酶体共定位 | 骨组织EDTA脱钙(小) |
| 原位瘤模型 | 内质网 | 骨组织EDTA脱钙(大) |
| 转移瘤模型 | 线粒体钙瞬时变化检测-流式 | 石蜡白片 |
| 皮下植瘤模型 | ATP检测 | 细胞爬片 |
| ADP检测 | ||
| AMP检测 | ||
| 流式 | DNA/RNA半定量检测 | 基因编辑工具 |
| 组织细胞悬液处理 | pcr检测mRNA | 合成(3保1)片段/质粒/引物合成 |
| 细胞处理 | microRNA检测 | 质粒载体构建 |
| 血液标本处理 | LncRNA表达量的检测 | 过表达腺病毒载体构建包装 |
| 细胞刺激培养 | CirRNA表达量的检测 | shRNA腺病毒载体构建包装 |
| 单色检测 | 凝胶电泳 | 过表达慢病毒载体构建包装 |
| 双色检测 | 基因合成 | shRNA慢病毒载体构建包装 |
| Annexin V/PI凋亡 | <300 | 过表达腺相关病毒载体构建包装 |
| 细胞周期 | 300-1,500 | shRNA腺病毒载体构建包装 |
| 1500 - 5000 | 稳转细胞株 | |
| >5000 | ||
| 特殊序列 | ||
| ELISA | WB | qPCR |
| 组织匀浆处理 | 蛋白提取及定量一 | RNA抽提 |
| ELISA(不含试剂盒)48T/kit | WB检测一(10孔膜/指标) | mRNA引物设计及合成 |
| ELISA(不含试剂盒)96T/kit | 灰度值分析及作图一(10孔膜/指标) | miRNA引物设计及合成 |
| ELISA(含国产试剂盒)48T/kit | 蛋白提取及定量二 | LncRNA引物设计及合成 |
| ELISA(含国产试剂盒)96T/kit | WB检测二(15孔膜/指标) | CircRNA引物设计及合成 |
| 灰度值分析及作图二(15孔膜/指标) | mRNA RT-qPCR | |
| miRNA RT-qPCR | ||
| LncRNA RT-qPCR | ||
| CircRNA RT-qPCR |
收费标准/服务周期/提供结果:
欢迎咨询详谈,我们会根据您的方案及需求制定详细的服务协议。
更多实验技术服务请浏览网站其他内容,或来电咨询!
做实验,找晶莱!您的科研生涯,我们一路相伴!
【平台项目开展范围】慢病毒,腺病毒,RNAi类,分子生物实验,病理实验,免疫学实验,细胞实验,动物实验,蛋白组学实验,芯片类实验,并为广大客户朋友们提供课题设计指导、基金申请指导等服务。
全国统一咨询服务热线:400-8766-085
【北京公司】北京经济技术开发区科创十三街12号院德为科技园1号楼5层
【长沙公司】长沙市高新区麓谷大道627号新长海中心A1-1203室
【公司邮箱】lab-china@genelb.cn
【晶莱生物】已开展了数千个实验外包项目。我们专注于医学课题研究,已从课题申请、方案设计、试剂采购、模型构造、标本检测、数据分析,各个环节积累了数千个成功案例经验,为数千个来自临床的科研工作者解决了大量的科研问题。更多相关实验服务信息请咨询晶莱生物
风险提示:丁香通仅作为第三方平台,为商家信息发布提供平台空间。用户咨询产品时请注意保护个人信息及财产安全,合理判断,谨慎选购商品,商家和用户对交易行为负责。对于医疗器械类产品,请先查证核实企业经营资质和医疗器械产品注册证情况。
文献和实验小鼠胚胎成纤维细胞的富集1、给13-14天的孕鼠注射大约0.5ml阿佛丁。当鼠麻醉后,实施断颈法处死小鼠。2、用70%乙醇擦拭腹部,把皮肤向后拉,暴露出腹膜。用消毒过的工具,剪开腹壁以暴露出子宫角。将子宫角移到10cm的皿里。用10ml不含钙镁离子的PBS洗三遍。3、用剪刀剪开每一测的胚囊,并将胚胎移到培养皿中。4、用两副钟表镊子将胎盘和膜与胚胎分离开,分离后切除内脏(所有深色的东西)。将胚胎转移到(有盖)培养皿中,用10ml不含钙镁离子的PBS洗三遍。5、用带有弯钩的眼科剪将组织剪碎,当你剪
小鼠胚胎成纤维细胞的富集 1、给13-14天的孕鼠注射大约0.5ml阿佛丁。当鼠麻醉后,实施断颈法处死小鼠。 2、用70%乙醇擦拭腹部,把皮肤向后拉,暴露出腹膜。用消毒过的工具,剪开腹壁以暴露出子宫角。将子宫角移到10cm的皿里。用10ml不含钙镁离子的PBS洗三遍。 3、用剪刀剪开每一测的胚囊,并将胚胎移到培养皿中。 4、用两副钟表镊子将胎盘和膜与胚胎分离开,分离后切除内脏(所有深色的东西)。将胚胎转移到(有盖)培养
相关专题 小鼠胚胎成纤维细胞的富集 1、给13-14天的孕鼠注射大约0.5ml阿佛丁。当鼠麻醉后,实施断颈法处死小鼠。 2、用70%乙醇擦拭腹部,把皮肤向后拉,暴露出腹膜。用消毒过的工具,剪开腹壁以暴露出子宫角。将子宫角移到10cm的皿里。用10ml不含钙镁离子的PBS 洗三遍。 3、用剪刀剪开每一测的胚囊,并将胚胎移到培养皿中。 4、用两副钟表镊子将胎盘和膜与胚胎分离开,分离后切除
技术资料暂无技术资料 索取技术资料










