万千商家帮你免费找货
0 人在求购买到急需产品
- 详细信息
- 文献和实验
- 技术资料
- 库存:
120
- 供应商:
沪震生物
- 品系:
细胞系
- 组织来源:
结肠
- 相关疾病:
见说明书
- 物种来源:
人
- 免疫类型:
见说明书
- 细胞形态:
贴壁;上皮细胞样
- 是否是肿瘤细胞:
见说明书
- 器官来源:
结肠
- 运输方式:
干冰运输or活细胞运输
- 年限:
1-52
- 生长状态:
贴壁;上皮细胞样
- 规格:
1000000细胞/株
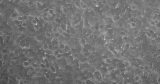
组织来源:结肠
培养条件:1640 +10% FBS
形 态:贴壁;上皮细胞样
HCT细胞培养的基本技术-(培养、传代、冻存):
培养基的配置:基础培养基500ml+胎牛血清50ml+双抗5ml
冻存液的配置:DMSO18ml+胎牛血清2ml。
依次比例酌量配置。
| 产品编号 | 名称 | 规格 | 价格 | 产品说明书 |
|---|---|---|---|---|
| HZ-H490 | HCT/FU;人结肠癌氟尿嘧啶耐药株 | 1×10^6 cells/瓶 | 询价 | 下载 |
移液器1套(2.5μl、20μl、200μl、1ml),酒精灯1盏,液器1台,斜架1台,酒精喷壶1个,酒精棉球缸1个,污缸1个,
常规耗材:培养瓶(50㎝2),定量移液管(5ml、10ml),枪头(1ml、200μl、10μl),培养皿,6/24/48/96孔板,医用脱脂棉球,保种管
所需试剂:gibco高糖培养基,胎牛血清,双抗,DMSO,胰酶,苯扎溴氨,75%酒精……
实验前准备:
所需的各项高压后的耗材放于超净工作台内,用酒精喷壶喷洒实验台面,并关闭工作台打开紫外灯照射30min后开始实验操作。
首次传代前HCT细胞的复苏,首先用一大烧杯盛满37℃的温水放于液氮罐旁边,待取出后留上端1/3于37℃水面上尽最大速摇动管使其在2min内迅速融化。若种管顶部含有冻存的细胞液在摇动期间用力甩动使其降于管底后再摇动。这一过程可在超净工作台外操作。
细胞传代
1. 紫外消毒30min后关闭紫外灯,开启超净台正常工作状态,用酒精消毒操作者的双手。
2. 将所需的培养基,胰酶确保瓶身干净后放于工作台面内,点燃酒精灯,将培养基和胰酶瓶口用酒精棉球擦拭后,再将瓶口对准在酒精灯上消毒2-3次,旋开瓶盖后再次分别消毒瓶口和瓶盖,分别放于酒精灯的两侧。特别是将培养基瓶放于斜架上,瓶口对准酒精灯,且放在距离酒精灯最近的位置,瓶盖置于酒精灯的另一侧。
3. 将培养瓶瓶口在酒精灯上消毒2-3次,旋开后分别再次消毒瓶口和瓶盖2-3次,瓶盖放于酒精灯右侧后将培养瓶内的培养液悬空倒进污缸,在酒精灯消毒2-3次瓶口,竖直放好。取1ml移液器快速移动在酒精灯上消毒1-2次,然后再装上枪头吸取1.5ml胰酶液,悬空移入培养瓶内。
4. 将培养瓶平放使胰酶浸没整个瓶壁的细胞层,计时约40s,立马竖起对着灯光可观察到细胞与HCT细胞之间有针孔样缝隙,并有1-2个细胞脱落,这时为胰酶消化的最适时机。若看到成片的细胞从瓶壁脱落为胰酶消化过度;若看不到针孔样缝隙和细胞脱落,则需继续消化,轻轻的迅速平放培养瓶使胰酶浸没细胞层1s后迅速竖起对着灯光观察细胞情况,可反复几次,直至出现针孔样缝隙和1-2个细胞脱落的最佳消化状态。用移液器将胰酶吸净。
5. 吸取1ml培养基于培养瓶内,并用移液器吸取少量的培养基轻柔的反复冲洗培养瓶壁5-8次,使贴壁HCT细胞完全脱落于培养基内再轻轻吹打2-3次,使细胞尽可能处于单个悬浮状态。
6. 取2或3个高压后的新培养瓶,瓶口在酒精灯上消毒2-3次,旋开后分别再次消毒瓶口和瓶盖2-3次分别放于酒精灯两侧,然后将细胞培养基均匀的分到3或4个培养瓶内(注意原来传代时使用的培养瓶可继续传代使用),进行1传3或1传4的培养。
7. 拿出1支高压后的5ml定量移液管,在酒精灯上灼烧尾部后装于电动移液器上,再次放于酒精灯上灼烧整个定量移液管管身2-3次,悬空进入培养基瓶内吸取4ml培养基悬空移入每个培养瓶内,将培养瓶瓶口和瓶盖在酒精灯上消毒2-3次后拧紧平放,在瓶身做好实验标记。
8. 将培养基瓶口和瓶盖消毒2-3次后拧紧,熄灭酒精灯,整理实验台面,取出实验试剂及污缸等,关闭超净工作台。
9. 将培养瓶放于28℃,5%CO2的培养箱内培养,旋开瓶口少许。注意整个培养箱底托盘内一定要放高压后的水,且定期更换确保无菌。
每天定时观察HCT细胞生长情况,一般72-96h后,细胞生长密度大于90%,即可进行细胞的传代或保株。
风险提示:丁香通仅作为第三方平台,为商家信息发布提供平台空间。用户咨询产品时请注意保护个人信息及财产安全,合理判断,谨慎选购商品,商家和用户对交易行为负责。对于医疗器械类产品,请先查证核实企业经营资质和医疗器械产品注册证情况。
文献和实验淡墨留痕 我们最近在培养HCT116细胞,发现其状态不是很好,很容易扎堆生长,用胰酶消化的时候也是一团一团地被消化下来,很难把它们吹散成一个一个细胞。而且长得也挺快也挺不均匀的,传代的第二天,有些地方就长得满满的了。想请教一下这是为什么呢 五月鱼 你好, 我养的细胞和你一样,消化下来也是一团的,但吹打以后就没有这样的情况了。建议你分皿前还是要吹匀,分皿后在镜下看一看,移动培养皿的时候尽量动作轻,避免晃动。
正常参考值 男:0.40~0.54L/L;女: 0.37~0.48L/L;儿童:0.35~0.49L/L;新生儿:0.50~0.60L/L. 临床意义 血红蛋白增高降低的临床意义基本和红细胞计数的临床意义相似,但血红蛋白能更好地反映贫血的程度。 血红蛋白增多有以下情况:(1)生理性增多:见于高原居民胎儿和新生儿,剧烈活动、恐惧冷水浴等;(2)病理性增多:见于严重的先天性及后天性心肺疾患和血管畸形如法洛四联症、发绀型先天性心脏病、阻塞性肺气肿肺源性
医学教育网整理医学检验考试的相关考点,供考生分享。 1、增高:见于各种原因所致血液浓缩,如大量呕吐、大手术后、腹泻搜集整理、失血、大面积烧伤、真性红细胞增多症(可达0.80L/L)、继发性红细胞增多症等。 2、减低:见于各种贫血,但不同类型的贫血,Hct减少程度与RBC计数值不完全一致。 3、输液评估:用于评估血浆容量有无增减或浓缩稀释程度,有助于控制补液量和了解体液平衡情况,是临床输血、输液治疗疗效观察的指标。 4、计算平均值:作为红细胞平均体积、红细胞
技术资料暂无技术资料 索取技术资料










