相关产品推荐更多 >
万千商家帮你免费找货
0 人在求购买到急需产品
- 详细信息
- 技术资料
- 免疫原:
NDRG family member 2
- 亚型:
IgG2b
- 形态:
liquid
- 保存条件:
-20℃ 12月
- 克隆性:
monoclonal
- 标记物:
未标记
- 适应物种:
Human, Mouse, Rat, Pig
- 保质期:
-20℃ 12月
- 抗原来源:
NDRG family member 2
- 目录编号:
FNab10958
- 级别:
科研
- 库存:
100
- 供应商:
武汉菲恩生物科技有限公司
- 宿主:
Mouse
- 应用范围:
ELISA, WB, IHC
- 靶点:
NDRG2
- 抗体英文名:
NDRG2 antibody
- 抗体名:
NDRG2抗体
- 规格:
50ug/100ug
| 规格: | 50ug | 产品价格: | ¥1260.0 |
|---|---|---|---|
| 规格: | 100ug | 产品价格: | ¥2100.0 |

产品介绍
| 产品名称 | NDRG2 antibody |
| 中文名称 | NDRG2抗体 |
| 货号 | FNab10958 |
| 规格 | 50ug/100ug |
| 宿主 | Mouse |
| 反应种属 | Human, Mouse, Rat, Pig |
| 验证应用 | ELISA, WB, IHC |
| 状态 | liquid |
| 纯化方法 | Protein A+G purification |
| 纯度 | ≥95% as determined by SDS-PAGE |
| 克隆性 | monoclonal |
| 亚型 | IgG2b |
| 免疫原 | NDRG family member 2 |
| 免疫原别称 | Protein NDRG2|N-myc downstream-regulated gene 2 protein|Protein Syld709613|NDRG2|KIAA1248|SYLD |
| Uniprot ID | Q9UN36 |
| 分子量 | 41-43 kDa |
| 建议稀释比例 | WB: 1:1000-1:10000; IHC: 1:500 - 1:2000 |
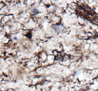
| 验证图片 | Immunohistochemistry of paraffin-embedded mouse brain using FNab10958 at dilution of 1:1000 Various lysates were subjected to SDS PAGE followed by western blot with FNab10958( NDRG2 Antibody) at dilution of 1:5000. |
| 存储 | PBS with 0.02% sodium azide and 50% glycerol pH 7.3, -20℃ for 12 months(Avoid repeated freeze / thaw cycles.) |
| 注意事项 | NDRG2 antibody仅供科研使用 |
菲恩生物抗体产品优势
种类齐全:有10000多种经过验证的免多抗和小鼠单抗,包括流式抗体、内参抗体、标签抗体、小分子化合物抗体、对照抗体等;
多种标记/非标记二抗:针对兔、羊、小鼠、大鼠、人等多个种属。100多种标记二抗,标记物包括HRP、Biotin、FITC、Cy3、Alexa Fluor 488、Alexa Fluor 594等,通过了蛋白质印迹、免疫荧光、免疫组织化学、流式细胞术和ELISA等免疫学相关应用的充分验证,可满足各种实验需求;
验证过多种实验:ELISA、WB、IHC、IF、IP、FC等应用,并进行了广泛的物种交叉实验。
风险提示:丁香通仅作为第三方平台,为商家信息发布提供平台空间。用户咨询产品时请注意保护个人信息及财产安全,合理判断,谨慎选购商品,商家和用户对交易行为负责。对于医疗器械类产品,请先查证核实企业经营资质和医疗器械产品注册证情况。
技术资料暂无技术资料 索取技术资料







