相关产品推荐更多 >
万千商家帮你免费找货
0 人在求购买到急需产品
- 详细信息
- 询价记录
- 文献和实验
- 技术资料
- 保存条件:
-80ºC
- 保质期:
一年
- 英文名:
Tau-441 (2N4R) P301S Mutant Pre-formed Fibrils
- 库存:
大量
- 供应商:
StressMarq
- 规格:
100 µg/100 µg x2/100 µg x5
| 规格: | 100 µg | 产品价格: | 询价 |
|---|---|---|---|
| 规格: | 100 µg x2 | 产品价格: | 询价 |
| 规格: | 100 µg x5 | 产品价格: | 询价 |
Alzheimer’s Disease (AD) is the most common neurodegenerative disease, affecting 10% of seniors over the age of 65 (1). It was named after Alois Alzheimer, a German scientist who discovered tangled bundles of fibrils where neurons had once been in the brain of a deceased patient in 1907 (2). Tau (tubulin-associated unit) is normally located in the axons of neurons where it stabilizes microtubules. Tauopathies such as AD are characterized by neurofibrillary tangles containing hyperphosphorylated tau fibrils (3). There are six isoforms of tau in the adult human brain: three with four repeat units (4R) and three with three repeat units (3R) (4). 2N4R, or Tau-441 is the full length tau protein. P301S is a mutation encoded by exon 10 (4) that impairs the ability of tau to assemble microtubules (5).
| 产品名称 | Tau 蛋白 |
| 产品描述 |
活性重组人 Tau441 (2N4R), P301S 突变蛋白 PFFs |
| 应用范围 | WB, SDS-PAGE, In vivo assay, In vitro assay |
| 浓度 | 各批次不同,请详见说明书 |
| 标记物 | 无标签 |
| 性质 | 重组 |
| 来源物种 | 人 |
| 表达系统 | 大肠杆菌 (E. coli) |
| 氨基酸序列 | MAEPRQEFEV MEDHAGTYGL GDRKDQGGYT MHQDQEGDTD AGLKESPLQT PTEDGSEEPG SETSDAKSTP TAEDVTAPLV DEGAPGKQAA AQPHTEIPEG TTAEEAGIGD TPSLEDEAAG HVTQARMVSK SKDGTGSDDK KAKGADGKTK IATPRGAAPP GQKGQANATR IPAKTPPAPK TPPSSGEPPK SGDRSGYSSP GSPGTPGSRS RTPSLPTPPT REPKKVAVVR TPPKSPSSAK SRLQTAPVPM PDLKNVKSKI GSTENLKHQP GGGKVQIINK KLDLSNVQSK CGSKDNIKHVSGGGSVQIVY KPVDLSKVTS KCGSLGNIHH KPGGGQVEVK SEKLDFKDRV QSKIGSLDNI THVPGGGNKK IETHKLTFRE NAKAKTDHGA EIVYKSPVVS GDTSPRHLSN VSSTGSIDMV DSPQLATLAD EVSASLAKQG L |
| 纯度 | >95% |
| 蛋白长度 | 全长蛋白 |
| Full Biological Activity | 当活性 Tau PFFs 与活性Tau 单体混合时, 硫黄素 T 荧光曲线显示荧光增强 (相关于 Tau 蛋白纤维聚集). |
产品特性
| 储存缓冲液 | 10 mM HEPES, 100 mM NaCl pH 7.4 |
| 储存温度 | -80ºC |
| 运输温度 | 干冰. 运输: 该产品会与其他同订单产品分开发货. |
| 纯化方式 | 离子交换层析纯化 |
| Protein Size | ~45.8 kDa |
| 引用该产品 | Human Recombinant Tau Protein (StressMarq Biosciences Inc., Victoria BC CANADA, Catalog # SPR-329) |
| 其他相关信息 | 为达到最佳效果, 请在使用前超声处理. |
生物学特性
| 研究领域 | MT 相关蛋白, 神经元标记物, 神经纤维缠结&Tau, 细胞标记物, 轴突标记物, 微管, 神经生物学, 神经衰退疾病, 阿尔茨海默病, 细胞信号传导, 细胞骨架 |
| 细胞定位 | 外周膜蛋白, 微管, 微管相关复合体, 微管蛋白复合体, 树突, 核周区域, 核斑点, 生长锥, 神经元胞体, 神经纤维缠结, 细胞体, 细胞核, 细胞膜, 细胞质, 细胞质侧, 细胞质基质, 细胞质核糖核蛋白体, 细胞骨架, 质膜, 轴突, 轴膜, 轴膜 质膜 |
| Accession Number | NP_005901.2 |
| GeneID | 4137 |
| Swiss Prot | P10636 |
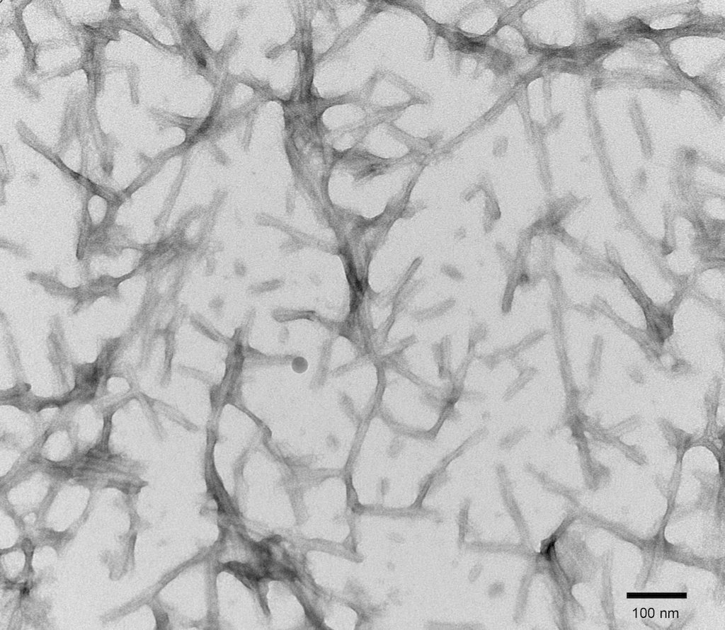
活性重组 Tau441 (2N4R), P301S 突变前体原纤维 (PFFs) 的透射电镜图 (TEM), 放大倍数为 150kx. HV = 80kV. 前体原纤维经过声处理及乙酸双氧铀处理.
活性重组 Tau441 (2N4R), P301S 突变前体原纤维 (PFFs) 的透射电镜图 (TEM). 前体原纤维经过声处理及乙酸双氧铀处理.
硫黄素 T 是一种荧光染料,可以绑定富含beta折叠的结构, 例如tau原纤维. 绑定之后, 硫黄素T光谱会发生红移, 荧光强度会增强. 硫黄素 T 荧光曲线显示当活性tau前体原纤维 (SPR-329) 与活性 tau 单体 (SPR-327) 混合时荧光强度增加 (相关于 tau 聚集). 这是因为活性原纤维起到了“种子”的作用,聚集活性单体形成更多原纤维. 硫黄素 T 激发光波长 = 450 nm, 发射光波长 = 485 nm.
67 kDa 活性人 Tau 蛋白 2N4R P301S 前体原纤维 (SPR-329) SDS-PAGE . 泳道 1: 分子量梯 (MW). 泳道 2: 活性Tau 蛋白前体原纤维 (SPR-329)
风险提示:丁香通仅作为第三方平台,为商家信息发布提供平台空间。用户咨询产品时请注意保护个人信息及财产安全,合理判断,谨慎选购商品,商家和用户对交易行为负责。对于医疗器械类产品,请先查证核实企业经营资质和医疗器械产品注册证情况。
- 作者
- 内容
- 询问日期
文献和实验Quantitative flow cytometric selection of tau conformational nanobodies specific for pathological aggregates.
Zupancic, J. M. et al. (2023) Front Immunol. 14:1164080.
PubMed ID: 37622125 应用范围: Flow Cytometry
Reversal of neuronal tau pathology, metabolic dysfunction, and electrophysiological defects via adiponectin pathway-dependent AMPK activation.
McGregor, E.R. et al. (2024) bioRxiv. 2024.02.07.579204.
PubMed ID: 38370802 应用范围: Aggregation Assay
APOE3ch alters microglial response and suppresses Aβ-induced tau seeding and spread.
Chen, Y. et al. (2023) Cell. S0092-8674(23)01315-6.
PubMed ID: 38086389 应用范围: In Vitro Assay
Complement receptor 4 mediates the clearance of extracellular tau fibrils by microglia.
Yoo, C. et al. (2023) Res Sq. Online ahead of print.
PubMed ID: N/A 应用范围: TEM
Flow cytometric isolation of drug-like conformational antibodies specific for amyloid fibrils.
Desai, A.A. et al. (2023) bioRxiv. 2023.07.04.547698.
PubMed ID: 37461643 应用范围: Western Blot Control
Mutant β1-adrenergic receptor improves REM sleep and ameliorates tau accumulation in a mouse model of tauopathy
Dong, Q., Ptáček, L. and Fu, Y-H. (2023) Proc Natl Acad Sci USA. 120(15):e2221686120
PubMed ID: 37014857 应用范围: In Vivo Aggregation Assay
A phosphoinositide signalling pathway mediates rapid lysosomal repair
Tan, J.X. and Finkel, T. (2022) Nature. Online ahead of print
PubMed ID: 36071159 应用范围: Functional Assay
Directed Evolution Of Antibodies Against Complex Targets.
Desai, A. (2021) PhD Thesis. Doctoral Dissertations.
PubMed ID: N/A 应用范围: Aggregation Assay
Aberrant AZIN2 and polyamine metabolism precipitates tau neuropathology.
Sandusky-Beltran, L.A. et al. (2021) J Clin Invest. 131(4):e126299
PubMed ID: 33586680 应用范围: In Vitro Assay
Cornel Iridoid Glycoside Regulates Modification of Tau and Alleviates Synaptic Abnormalities in Aged P301S Mice
Yang, Cc. et al. (2020) Curr Med Sci. 40, 1040–1046(2020)
PubMed ID: 33428131 应用范围: Cell-free Assay
,并维持其稳定性。它的微管结合能力由翻译后修饰来控制,其中磷酸化修饰是主要方式之一,正常情况下磷酸化修饰的水平较低,而过度磷酸化则会导致 Tau 蛋白失活,无法集结微管蛋白,致使神经细胞变性。由于 Tau 蛋白有多个磷酸化位点,并且参与调节的蛋白激酶和磷酸酯酶又不止一种,所以这使得 AD 的发病机制非常复杂。成人大脑中有 6 种 Tau 蛋白亚型,其中三种是有三段微管结合重复区域 (3R-tau),另三种是有四段微管结合重复区域(4R-tau)。Tau 全长蛋白被记做 2N4R 或 Tau-441
三句话读懂一篇 CNS:为啥有人怎么吃都不胖?背后的基因秘密找到了;拯救秃头星人的新方法
。 该研究利用小鼠、大鼠以及猕猴等多种饮食性肥胖动物模型,证实口服小肽 D3 通过靶向「菌肠脑轴」,刺激肠道上皮细胞产生更多厌食激素(尿鸟苷素,UGN),并促进下丘脑中具有抑食效应的 POMC 神经元活动增强,降低动物摄食量。且可显著改善肠道菌群平衡,提高嗜黏蛋白阿克曼氏菌(Akkermansia muciniphila)丰度 ! 图 1:来源 Gut 2. Nature Communications:开发 mRNA 编码 IL-2 突变蛋白平台,可治疗自身免疫病 白细胞介素 2(IL
1. 引言 直到近来,创建组合文库的最流行的方法是通过引入点突变产生一系列进化序列的递归策略。对于体外进化来说,比起递归突变的方法,重组聚合酶链反应( PCR;基因混编)有着实践和理论上的优势 [ 1〜3] 。该方法通过重组融合多重点突变的序列和野生型的序列,可快速得到合适的突变蛋白。相关家族基因重组通过将这些基因的片段进行混编,重组后利用 PCR 技术,得到新的基因。该方法的 PCR 组装步骤主要是利用同源重组。因为 “交叉点”经常发生在序列很类似的区域,所以这些方法都需要
技术资料暂无技术资料 索取技术资料










